3-Truss - 機械工具・安全保護具通販サイト -


メニュー

新規会員登録(種別選択)

当サイトでは、法人のお客様向けと個人のお客様向けに2種類の会員種別がございます。


法人会員

審査に5営業日ほどかかる場合がございます。
仮発注・承認機能も設けています。

法人会員登録をする

個人会員

審査不要、どなたでも会員登録して頂けます。

個人会員登録をする
0
TOTAL
¥0

現在カート内に商品はございません。

  1. トップページ
  2. /
  3. 電子機器
  4. /
  5. 電設配線部品
  6. /
  7. 電線保護資材
  8. /
  9. クイックコネクト クイックコネクト取り外しツール プッシュインケーブルグランド用 3/4IN 11-17MM グレー 1個付 NPG-0751G

クイックコネクト クイックコネクト取り外しツール プッシュインケーブルグランド用 3/4IN 11-17MM グレー 1個付 NPG-0751G

  • 機械工具
  • NEW!

メーカー希望小売価格: ¥9,500 (税別)

¥8,234
¥9,057 (税込)
送料: ―(ご利用ガイド通り)
商品コード: 623-4695
標準納期:5日
在庫数: 2

※在庫数はリアルタイムではありません。(1日5回更新)

発注単位:1袋
数量
カートに追加しました。
お買い物を続ける カートへ進む
在庫数以上の数量のため、入荷次第のご発送となります。
お買い物を続ける
メーカー名
ABB
製造メーカー品番
NPG-0751G
製造メーカー品番2

商品スペック

商品説明
●ワンプッシュで簡単に素早く取り付け可能、設置時間を短縮します。
●ワンプッシュで簡単に素早く取り付け可能
●シングルピース(ロックナット不要)
●耐腐食性あり
商品属性
●色:グレー
●適合電線径(mm):13~18φ
●取付ねじ:NPG3/4
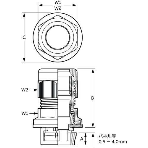
●適合板厚(mm):0
●ねじ径:25.2-25.4
●極数:1
●使用温度範囲(℃):-20~+100
●保護等級:IP66 - IP68 (5 bar 30分)
●A(mm):10
●B(mm):41.9
●C(mm):39
●ねじタイプ:NPTねじ
●サイズ×極数:NPG3/4
●適合電線範囲:13~18φmm
●W1(mm):42
●W2(mm):42
●サイズ:NPG3/4
●適合電線範囲(mm):13~18φ
取り扱い注意事項
セット内容
質量
300.000G
原産国
トルコ
RoHS
適合


メニュー

カテゴリ一から探す