3-Truss - 機械工具・安全保護具通販サイト -


メニュー

新規会員登録(種別選択)

当サイトでは、法人のお客様向けと個人のお客様向けに2種類の会員種別がございます。


法人会員

審査に5営業日ほどかかる場合がございます。
仮発注・承認機能も設けています。

法人会員登録をする

個人会員

審査不要、どなたでも会員登録して頂けます。

個人会員登録をする
0
TOTAL
¥0

現在カート内に商品はございません。

  1. トップページ
  2. /
  3. 工作機工具
  4. /
  5. ツーリング・治工具
  6. /
  7. チャック・生爪
  8. /
  9. ARM 豊和パワーチャック用鉄生爪HO1MA-12H50P3.0 HO1MA-12H50P3.0

ARM 豊和パワーチャック用鉄生爪HO1MA-12H50P3.0 HO1MA-12H50P3.0

  • 機械工具

メーカー希望小売価格: ¥20,200 (税別)

¥10,504
¥11,554 (税込)
送料: ―(ご利用ガイド通り)
商品コード: 837-7582
標準納期:5日
在庫数: お取り寄せ

※在庫数はリアルタイムではありません。(1日5回更新)

発注単位:1S
数量
カートに追加しました。
お買い物を続ける カートへ進む
在庫数以上の数量のため、入荷次第のご発送となります。
お買い物を続ける
メーカー名
アーム産業
製造メーカー品番
HO1MA-12H50P3.0
製造メーカー品番2

商品スペック

商品説明
●1セット3個を同時加工の高精度品です。
●寸法指定の特殊生爪も製作可能です。
●旋盤チャック用。
●標準高さ・高爪があります。
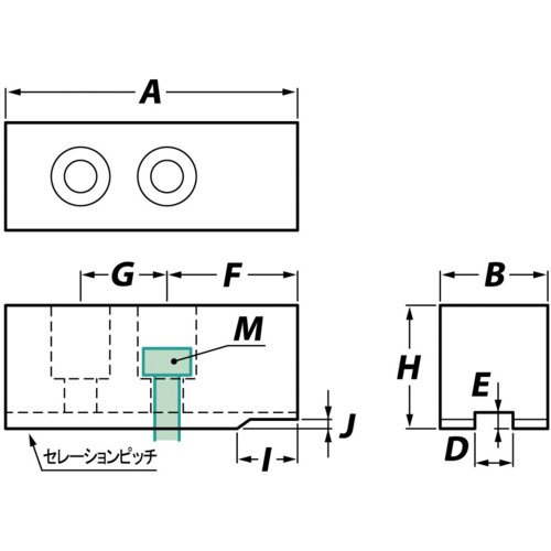
●生爪寸法(参考図参照)

●A(mm):129
●B(mm):50
●H(mm):50
●D(mm):18
●E(mm):6
●F(mm):60
●G(mm):30
●M(mm):M14
●セレーションピッチ:3
●参考図(爪形状):1
商品属性
●チャック外径(インチ):12
●ピッチ(mm):3
●長さ(mm):129
●幅(mm):50
●高さ(mm):50
●チャックサイズ(インチ):12
●適合チャック:H01MA12
●適合メーカー:豊和工業
●A(mm):129
●B(mm):50
●H(mm):50
●D(mm):18
●E(mm):6
●F(mm):60
●G(mm):30
●M(mm):M14
●セレーションピッチ:3
●参考図(爪形状):1
●S50C
取り扱い注意事項
●出荷単位は1セット(3個)です。
セット内容
質量
6.500KG
原産国
日本


メニュー

カテゴリ一から探す