3-Truss - 機械工具・安全保護具通販サイト -


メニュー

新規会員登録(種別選択)

当サイトでは、法人のお客様向けと個人のお客様向けに2種類の会員種別がございます。


法人会員

審査に5営業日ほどかかる場合がございます。
仮発注・承認機能も設けています。

法人会員登録をする

個人会員

審査不要、どなたでも会員登録して頂けます。

個人会員登録をする
0
TOTAL
¥0

現在カート内に商品はございません。

  1. トップページ
  2. /
  3. 搬送機器
  4. /
  5. コンベヤ
  6. /
  7. フリーローラーコンベヤ
  8. /
  9. タイヨー TR-CM5714型 ローラー幅300W×P75×機長1994L CM5714300752000

タイヨー TR-CM5714型 ローラー幅300W×P75×機長1994L CM5714300752000

  • 機械工具
  • NEW!

メーカー希望小売価格: オープン

¥23,232
¥25,555 (税込)
送料: 送料別途
商品コード: 602-5829
標準納期:10日
在庫数: お取り寄せ

※在庫数はリアルタイムではありません。(1日5回更新)

発注単位:1台
数量
カートに追加しました。
お買い物を続ける カートへ進む
在庫数以上の数量のため、入荷次第のご発送となります。
お買い物を続ける
メーカー名
太陽工業
製造メーカー品番
CM5714300752000
製造メーカー品番2

商品スペック

商品説明
● 環境に配慮したクロムフリー製品です。
● ZAMまたはKOBEMAGを使用したフレームで耐食性に優れています。
● 塗装がないので塗装ハゲがありません。
●物流センター・製造工場の製品移動・組込みコンベヤなど
商品属性
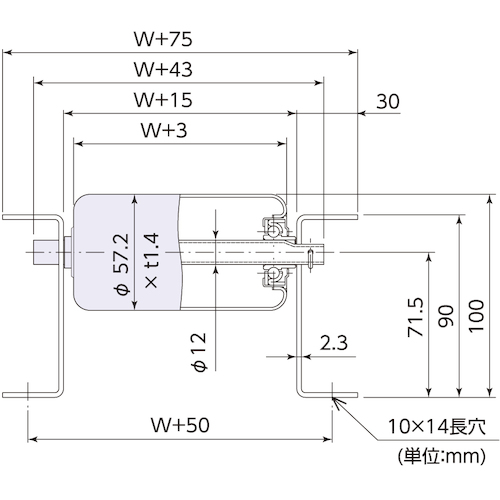
●ローラー径(mm):57.2
●ローラー幅(mm):300
●ピッチ(mm):75
●機長(mm):1994
●肉厚(mm):1.4
●全幅(mm):375
●機高(mm):100
●A寸法(mm)実ピッチ:1925=ピッチ77x25
●ZAMまたはKOBEMAGを使用したフレーム
取り扱い注意事項
セット内容
●連結金具付
質量
32.300KG
原産国
日本
RoHS
適合


メニュー

カテゴリ一から探す