3-Truss - 機械工具・安全保護具通販サイト -


メニュー

新規会員登録(種別選択)

当サイトでは、法人のお客様向けと個人のお客様向けに2種類の会員種別がございます。


法人会員

審査に5営業日ほどかかる場合がございます。
仮発注・承認機能も設けています。

法人会員登録をする

個人会員

審査不要、どなたでも会員登録して頂けます。

個人会員登録をする
0
TOTAL
¥0

現在カート内に商品はございません。

  1. トップページ
  2. /
  3. メカトロ部品
  4. /
  5. 軸受・駆動機器・伝導部品
  6. /
  7. 歯車
  8. /
  9. KHK ラチェット爪SRT2-C SRT2-C

KHK ラチェット爪SRT2-C SRT2-C

  • 機械工具

メーカー希望小売価格: ¥2,630 (税別)

¥2,677
¥2,945 (税込)
送料: ―(ご利用ガイド通り)
商品コード: 176-3278
標準納期:5日
在庫数: お取り寄せ

※在庫数はリアルタイムではありません。(1日5回更新)

発注単位:1個
数量
カートに追加しました。
お買い物を続ける カートへ進む
在庫数以上の数量のため、入荷次第のご発送となります。
お買い物を続ける
メーカー名
小原歯車工業
製造メーカー品番
SRT2-C
製造メーカー品番2

商品スペック

商品説明
●爪の部分に高周波焼入れを施してあるので耐久性に富んでいます。
●回転方向を一方向に制限するために用いられるシンプルな機構です。
●動力伝達用歯車。
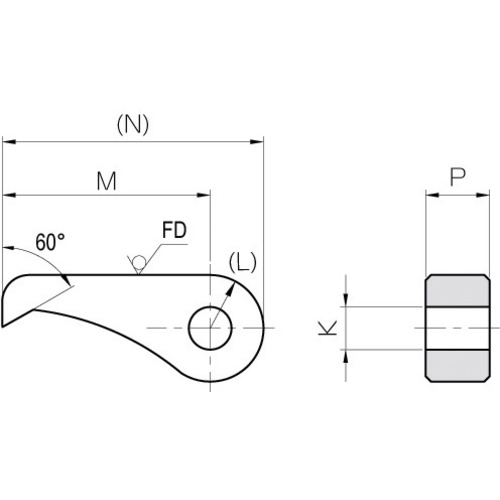
●歯の角度:60°
●材料:S45C
●熱処理:爪部高周波焼入れ
●歯面硬度:50~60HRC
●表面処理:黒染
商品属性
●形状:T5
●ピッチ(mm):P6.28
●歯幅(mm):15
●穴径(mm):10
●K(mm):10
●L(mm):φ12.5
●M(mm):55
●N(mm):67.5
●P(mm):15
●S45C
取り扱い注意事項
●1個の販売でありセット販売ではございません。
●逆回転防止用爪です。送り又は割出しには使用できません。
セット内容
質量
128.000G
原産国
日本
RoHS
適合


メニュー

カテゴリ一から探す