3-Truss - 機械工具・安全保護具通販サイト -


メニュー

新規会員登録(種別選択)

当サイトでは、法人のお客様向けと個人のお客様向けに2種類の会員種別がございます。


法人会員

審査に5営業日ほどかかる場合がございます。
仮発注・承認機能も設けています。

法人会員登録をする

個人会員

審査不要、どなたでも会員登録して頂けます。

個人会員登録をする
0
TOTAL
¥0

現在カート内に商品はございません。

  1. トップページ
  2. /
  3. メカトロ部品
  4. /
  5. 軸受・駆動機器・伝導部品
  6. /
  7. 歯車
  8. /
  9. KHK ウォームホイールAG0.5-50R1 AG0.5-50R1

KHK ウォームホイールAG0.5-50R1 AG0.5-50R1

  • 機械工具

メーカー希望小売価格: ¥2,770 (税別)

¥2,668
¥2,935 (税込)
送料: ―(ご利用ガイド通り)
商品コード: 126-3581
標準納期:5日
在庫数: お取り寄せ

※在庫数はリアルタイムではありません。(1日5回更新)

発注単位:1個
数量
カートに追加しました。
お買い物を続ける カートへ進む
在庫数以上の数量のため、入荷次第のご発送となります。
お買い物を続ける
メーカー名
小原歯車工業
製造メーカー品番
AG0.5-50R1
製造メーカー品番2

商品スペック

商品説明
●耐摩耗性に優れたアルミニウム青銅製のウォームホイールです。
●品揃えも豊富です。
●動力伝達用歯車。
●歯車精度:KHK W 002:2級
●歯形:並歯
●表面処理:なし
●圧力角:20°
●歯面仕上げ:なし
●歯切基準面:穴(H7)
●熱処理:なし
●追加工可否:可能
商品属性
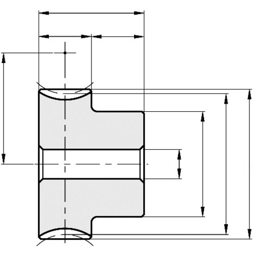
●モジュール:0.5
●歯数:50
●穴径(mm):φ5
●歯形:並歯
●形状:HA
●基準円直径(mm):φ25
●減速比:50
●歯幅(mm):5
●条数:1
●歯先円直径(mm):φ26
●全長(mm):12
●ボス径(mm):φ20
●組立距離(mm):17
●ボス長さ(mm):7
●全長:12
●ボス径:20
●歯先円直径:26
●歯幅:5
●ボス長さ(右):7
●ねじれ方向:R
●アルミニウム青鋼鋳物2種(CAC702)
取り扱い注意事項
●1個の販売でありセット販売ではございません。
セット内容
質量
0.040KG
原産国
日本
RoHS
適合


メニュー

カテゴリ一から探す