3-Truss - 機械工具・安全保護具通販サイト -


メニュー

新規会員登録(種別選択)

当サイトでは、法人のお客様向けと個人のお客様向けに2種類の会員種別がございます。


法人会員

審査に5営業日ほどかかる場合がございます。
仮発注・承認機能も設けています。

法人会員登録をする

個人会員

審査不要、どなたでも会員登録して頂けます。

個人会員登録をする
0
TOTAL
¥0

現在カート内に商品はございません。

  1. トップページ
  2. /
  3. 工作機工具
  4. /
  5. 金型用品
  6. /
  7. プラスチック金型用品
  8. /
  9. TRUSCO ランナーロックピン(ハードロック・ストレート) T-RRLH3-30

TRUSCO ランナーロックピン(ハードロック・ストレート) T-RRLH3-30

  • 機械工具

メーカー希望小売価格: ¥610 (税別)

¥410
¥451 (税込)
送料: ―(ご利用ガイド通り)
商品コード: 257-0639
標準納期:15日
在庫数: お取り寄せ

※在庫数はリアルタイムではありません。(1日5回更新)

発注単位:1本
数量
カートに追加しました。
お買い物を続ける カートへ進む
在庫数以上の数量のため、入荷次第のご発送となります。
お買い物を続ける
メーカー名
トラスコ中山
製造メーカー品番
T-RRLH3-30
製造メーカー品番2

商品スペック

商品説明
●成型品からランナーを切り離し、取り出すために使用します。
●プラスチック金型の部品として。
●つば径ノーマル
商品属性
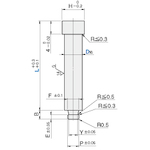
●D(mm):3
●H(mm):5
●E(mm):1
●P(mm):2.3
●L(mm):30
●Y(mm):1.8
●F(mm):2.5
●B(mm):2
●ハイス鋼SKH51(硬度59~61HRC)
取り扱い注意事項
●提供不可:chemSHERPA、SDS、ミルシート
セット内容
質量
2.200G
原産国
中国


メニュー

カテゴリ一から探す