3-Truss - 機械工具・安全保護具通販サイト -


メニュー

新規会員登録(種別選択)

当サイトでは、法人のお客様向けと個人のお客様向けに2種類の会員種別がございます。


法人会員

審査に5営業日ほどかかる場合がございます。
仮発注・承認機能も設けています。

法人会員登録をする

個人会員

審査不要、どなたでも会員登録して頂けます。

個人会員登録をする
0
TOTAL
¥0

現在カート内に商品はございません。

  1. トップページ
  2. /
  3. メカトロ部品
  4. /
  5. 機械部品
  6. /
  7. アルミフレーム
  8. /
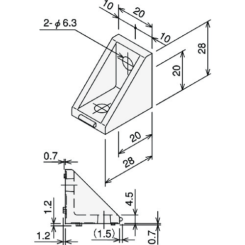
  9. TRUSCO TSF30用Dブラケット S TSFJ018

TRUSCO TSF30用Dブラケット S TSFJ018

  • 機械工具

メーカー希望小売価格: ¥190 (税別)

¥128
¥141 (税込)
送料: ―(ご利用ガイド通り)
商品コード: 161-3485
標準納期:5日
在庫数: 893

※在庫数はリアルタイムではありません。(1日5回更新)

発注単位:1個
数量
カートに追加しました。
お買い物を続ける カートへ進む
在庫数以上の数量のため、入荷次第のご発送となります。
お買い物を続ける
メーカー名
トラスコ中山
製造メーカー品番
TSFJ018
製造メーカー品番2

商品スペック

商品説明
●フレームのT溝にナットを挿入し、ボルトで締結する専用部材です。
●フレームの溝にガイドがはまり、回り止め防止が可能です。
●ボルト(六角穴付ボルトM6X12)、ナット(TSFB002またはTSFNES6)は別売りです。
●直交するフレーム締結に。
●アルミフレーム用部材
●T溝幅8mm用
商品属性
●適合機種:TSF30
●適合ボルト:六角穴付きボルト
●ボルトサイズ(mm):M6×12
●適合溝幅(mm):8
●アルミダイカスト
取り扱い注意事項
●提供不可:SDS、ミルシート
セット内容
質量
13.000G
原産国
日本


メニュー

カテゴリ一から探す