3-Truss - 機械工具・安全保護具通販サイト -


メニュー

新規会員登録(種別選択)

当サイトでは、法人のお客様向けと個人のお客様向けに2種類の会員種別がございます。


法人会員

審査に5営業日ほどかかる場合がございます。
仮発注・承認機能も設けています。

法人会員登録をする

個人会員

審査不要、どなたでも会員登録して頂けます。

個人会員登録をする
0
TOTAL
¥0

現在カート内に商品はございません。

  1. トップページ
  2. /
  3. メカトロ部品
  4. /
  5. 軸受・駆動機器・伝導部品
  6. /
  7. シャフトカラー
  8. /
  9. IWATA スタンダードスリットカラー ベアリング固定用 無電解ニッケル 内径30mm 適合ベアリング6206ZZ SCS3015MB2

IWATA スタンダードスリットカラー ベアリング固定用 無電解ニッケル 内径30mm 適合ベアリング6206ZZ SCS3015MB2

  • 機械工具

メーカー希望小売価格: ¥1,780 (税別)

¥1,710
¥1,881 (税込)
送料: ―(ご利用ガイド通り)
商品コード: 148-9315
標準納期:10日
在庫数: お取り寄せ

※在庫数はリアルタイムではありません。(1日5回更新)

発注単位:1個
数量
カートに追加しました。
お買い物を続ける カートへ進む
在庫数以上の数量のため、入荷次第のご発送となります。
お買い物を続ける
メーカー名
岩田製作所
製造メーカー品番
SCS3015MB2
製造メーカー品番2

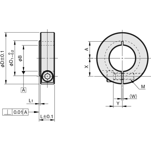
商品スペック

商品説明
●スリット構造により、シャフトを傷つけることなく締め付けができます。
●端面の穴を利用してブラケットの取り付けや、セットカラーの固定ができます。
●ベアリングとシャフトの固定。
商品属性
●内径(mm):30
●外径(mm):55
●総幅(mm):15
●締付ねじ:M6×25
●表面処理:無電解ニッケル
●機械構造用炭素鋼(S45C)
取り扱い注意事項
セット内容
質量
169.000G
原産国
日本
RoHS
適合


メニュー

カテゴリ一から探す