3-Truss - 機械工具・安全保護具通販サイト -


メニュー

新規会員登録(種別選択)

当サイトでは、法人のお客様向けと個人のお客様向けに2種類の会員種別がございます。


法人会員

審査に5営業日ほどかかる場合がございます。
仮発注・承認機能も設けています。

法人会員登録をする

個人会員

審査不要、どなたでも会員登録して頂けます。

個人会員登録をする
0
TOTAL
¥0

現在カート内に商品はございません。

  1. トップページ
  2. /
  3. メカトロ部品
  4. /
  5. 軸受・駆動機器・伝導部品
  6. /
  7. 歯車
  8. /
  9. KG S45C平歯車 S50S 48B*0505 モジュール0.5 圧力角20度(並歯) 歯数48 形状B1 S50S 48B*0505

KG S45C平歯車 S50S 48B*0505 モジュール0.5 圧力角20度(並歯) 歯数48 形状B1 S50S 48B*0505

  • 機械工具

メーカー希望小売価格: ¥1,100 (税別)

¥1,056
¥1,162 (税込)
送料: ―(ご利用ガイド通り)
商品コード: 158-0409
標準納期:5日
在庫数: お取り寄せ

※在庫数はリアルタイムではありません。(1日5回更新)

発注単位:1個
数量
カートに追加しました。
お買い物を続ける カートへ進む
在庫数以上の数量のため、入荷次第のご発送となります。
お買い物を続ける
メーカー名
協育歯車工業
製造メーカー品番
S50S 48B*0505
製造メーカー品番2

商品スペック

商品説明
●小型精密歯車です。
●品番末尾Hは、歯部高周波焼入済です。
●一般産業機械、医療機器、食品機械に使用。
●歯車精度:JIS B 1702-1(ISO)8級(歯部高周波焼入品:9級)
●歯形:並歯
●圧力角:20°
商品属性
●歯数:48
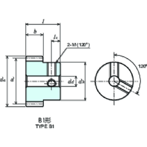
●形状:B1
●基準円直径(mm):φ24
●歯幅(mm):5
●穴径(mm):φ5
●モジュール:0.5
●歯先円直径:φ25
●全長(mm):13
●ハブ外径(mm):φ15
●ボス径(mm):φ15
●歯先円直径(mm):φ25
●取付ねじM:2-M3
●取付ねじls:4
●ハブ長さ(mm):8
●機械構造用炭素鋼(S45C)
取り扱い注意事項
セット内容
●セットスクリュー×2
質量
26.400G
原産国
日本
RoHS
適合


メニュー

カテゴリ一から探す