3-Truss - 機械工具・安全保護具通販サイト -


メニュー

新規会員登録(種別選択)

当サイトでは、法人のお客様向けと個人のお客様向けに2種類の会員種別がございます。


法人会員

審査に5営業日ほどかかる場合がございます。
仮発注・承認機能も設けています。

法人会員登録をする

個人会員

審査不要、どなたでも会員登録して頂けます。

個人会員登録をする
0
TOTAL
¥0

現在カート内に商品はございません。

  1. トップページ
  2. /
  3. 金物・建築資材
  4. /
  5. ファスニングツール
  6. /
  7. ブラインドリベット
  8. /
  9. エビ ブラインドリベット・シールドタイプ エコBOX アルミ/スティール 6-3 (150本入) NSA63CEB

エビ ブラインドリベット・シールドタイプ エコBOX アルミ/スティール 6-3 (150本入) NSA63CEB

  • 機械工具

メーカー希望小売価格: ¥2,410 (税別)

¥1,798
¥1,978 (税込)
送料: ―(ご利用ガイド通り)
商品コード: 791-5101
標準納期:5日
在庫数: お取り寄せ

※在庫数はリアルタイムではありません。(1日5回更新)

発注単位:1箱
数量
カートに追加しました。
お買い物を続ける カートへ進む
在庫数以上の数量のため、入荷次第のご発送となります。
お買い物を続ける
メーカー名
ロブテックス
製造メーカー品番
NSA63CEB
製造メーカー品番2

商品スペック

商品説明
●リベット本体の頭部が密閉されていますので防水性にすぐれています。
●片側から複数の母材をワン・アクションで締結できます。溶接に比べて作業の省力化や生産性の向上にメリットがあります。
●必要な仕事に無駄なく便利に使える小箱少量サイズのエコボックスが誕生しました。
●金属同士の締結、プラスチック類同士の締結の他、異種母材(金属とプラスチック類など)の締結に。
●エコボックス入
●RoHS指令適合品
商品属性
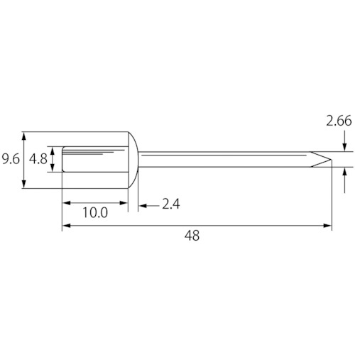
●リベット径(mm):4.8
●リベット長(mm):10.0
●フランジ径(mm):9.6
●かしめ板厚(mm):1.6~4.8
●下穴径(mm):4.9~5.0
●せん断強度(N):2600
●引張強度(N):3900
●箱入数(本):150
●ボディ材質:アルミニウム(A5056)
●マンドレル材質:スティール(炭素鋼)
取り扱い注意事項
●適正かしめ板厚、下穴径は当社指定寸法を守り安全率を十分に考慮して施工してください。
●作業前に必ず、ご使用になるリベッターの取扱説明書をよくお読みください。
●寸法・重量などは公称値ですので、多少の数値の上下があります。
セット内容
質量
0.440KG
原産国
日本
RoHS
適合


メニュー

カテゴリ一から探す