3-Truss - 機械工具・安全保護具通販サイト -


メニュー

新規会員登録(種別選択)

当サイトでは、法人のお客様向けと個人のお客様向けに2種類の会員種別がございます。


法人会員

審査に5営業日ほどかかる場合がございます。
仮発注・承認機能も設けています。

法人会員登録をする

個人会員

審査不要、どなたでも会員登録して頂けます。

個人会員登録をする
0
TOTAL
¥0

現在カート内に商品はございません。

  1. トップページ
  2. /
  3. 金物・建築資材
  4. /
  5. ファスニングツール
  6. /
  7. ブラインドナット
  8. /
  9. エビ ブラインドナット“エビナット”(薄頭・アルミ製) 板厚2.5 M8×1.25(500個入) NAK825M

エビ ブラインドナット“エビナット”(薄頭・アルミ製) 板厚2.5 M8×1.25(500個入) NAK825M

  • 機械工具

メーカー希望小売価格: ¥19,340 (税別)

¥14,443
¥15,887 (税込)
送料: ―(ご利用ガイド通り)
商品コード: 372-3721
標準納期:5日
在庫数: お取り寄せ

※在庫数はリアルタイムではありません。(1日5回更新)

発注単位:1箱
数量
カートに追加しました。
お買い物を続ける カートへ進む
在庫数以上の数量のため、入荷次第のご発送となります。
お買い物を続ける
メーカー名
ロブテックス
製造メーカー品番
NAK825M
製造メーカー品番2

商品スペック

商品説明
●エビナットはナットとリベットの両方の長所を兼ねそなえた、ブラインドファスナーです。
●タップ立ての難しい薄材やパイプ・溶接のできないプラスチック板にも片側から簡単に取り付けることができます。
●専用のエビ印ナッターを使用すれば、カシメ板厚に応じた適切なストローク調整ができ、均一な仕上がりとなります。
●車の鋼板部、樹脂部(バンパーなど)へのパーツ取り付けに。
●エクステリアなどアルミ建材へのパーツ取り付けに。
●薄頭
●箱入
商品属性
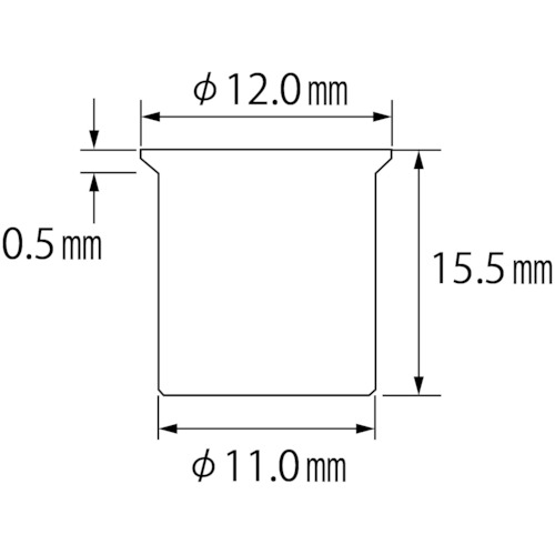
●全長(mm):15.5
●ナット外径(mm):11
●下穴径(mm):11.1
●フランジ厚さ(mm):0.5
●かしめ板厚(mm):1.0~2.5
●適合ねじ:M8×1.25
●パック入数(個):500
●アルミ(A5056)
取り扱い注意事項
●適正かしめ板厚、下穴径は当社指定寸法を守り安全率を十分に考慮して施工してください。
●作業前に必ず、ご使用になるリナッターの取扱説明書をよくお読みください。
●寸法・重量などは公称値ですので、多少の数値の上下があります。
セット内容
質量
1.080KG
原産国
日本
RoHS
適合


メニュー

カテゴリ一から探す