3-Truss - 機械工具・安全保護具通販サイト -


メニュー

新規会員登録(種別選択)

当サイトでは、法人のお客様向けと個人のお客様向けに2種類の会員種別がございます。


法人会員

審査に5営業日ほどかかる場合がございます。
仮発注・承認機能も設けています。

法人会員登録をする

個人会員

審査不要、どなたでも会員登録して頂けます。

個人会員登録をする
0
TOTAL
¥0

現在カート内に商品はございません。

  1. トップページ
  2. /
  3. メカトロ部品
  4. /
  5. 軸受・駆動機器・伝導部品
  6. /
  7. 歯車
  8. /
  9. KG ストレートマイタギヤ M1D 30*2608 M1D 30*2608

KG ストレートマイタギヤ M1D 30*2608 M1D 30*2608

  • 機械工具

メーカー希望小売価格: ¥2,620 (税別)

¥2,657
¥2,923 (税込)
送料: ―(ご利用ガイド通り)
商品コード: 160-5259
標準納期:5日
発注単位:1個
数量
カートに追加しました。
お買い物を続ける カートへ進む
メーカー名
協育歯車工業
製造メーカー品番
M1D 30*2608
製造メーカー品番2

商品スペック

商品説明
●並歯のマイタギヤです。
●一般産業機械、食品機械、医療機器等に使用。
●圧力角:20°
●歯数比1:1
商品属性
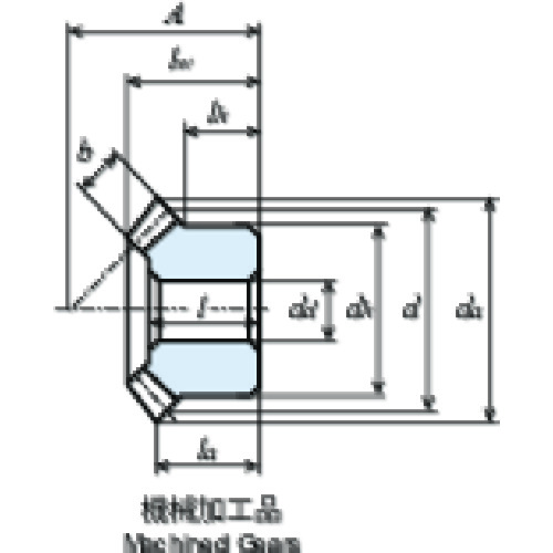
●モジュール:1
●歯数:30
●基準円直径(mm):φ30
●穴径(mm):φ8
●組立距離(mm):26
●取付ねじM:2-M4
●取付ねじls:4.5
●全長(mm):15.89
●歯幅(mm):6.2
●歯先円直径(mm):φ31.41
●ハブ外径(mm):φ22
●ハブ長さ(mm):8.9
●穴長さ(mm):14.5
●歯数比:1
●歯先角:47°42′
●ポリアセタール白色
取り扱い注意事項
●相手歯車を弊社以外の商品と組み合わせて使用されますと不具合が発生する恐れがあります。
セット内容
●セットスクリューが2個付いてます。
質量
8.100G
原産国
日本
RoHS
適合


メニュー

カテゴリ一から探す