3-Truss - 機械工具・安全保護具通販サイト -


メニュー

新規会員登録(種別選択)

当サイトでは、法人のお客様向けと個人のお客様向けに2種類の会員種別がございます。


法人会員

審査に5営業日ほどかかる場合がございます。
仮発注・承認機能も設けています。

法人会員登録をする

個人会員

審査不要、どなたでも会員登録して頂けます。

個人会員登録をする
0
TOTAL
¥0

現在カート内に商品はございません。

  1. トップページ
  2. /
  3. メカトロ部品
  4. /
  5. 軸受・駆動機器・伝導部品
  6. /
  7. ロボットハンド用パーツ
  8. /
  9. アインツ 当板・丸型・白φ25・ミニシリンダー用 CP-074

アインツ 当板・丸型・白φ25・ミニシリンダー用 CP-074

  • 機械工具

メーカー希望小売価格: オープン

¥658
¥724 (税込)
送料: ―(ご利用ガイド通り)
商品コード: 115-6598
標準納期:5日
発注単位:1個
数量
カートに追加しました。
お買い物を続ける カートへ進む
メーカー名
スター精機アインツ事業部
製造メーカー品番
CP-074
製造メーカー品番2

商品スペック

商品説明
●シリンダーロッドの先端に取り付けてご使用ください。
●対象シリンダー:UMCD、MCD、MCP1-10・20シリーズ
商品属性
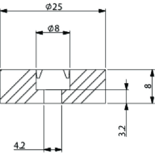
●タイプ:当板・丸型・白φ25・ミニシリンダー用
●幅(mm):25
●奥行(mm):25
●高さ(mm):8
●素材:シリコンゴム(設置面)
●シリコンゴム
取り扱い注意事項
セット内容
質量
13.000G
原産国
中国


メニュー

カテゴリ一から探す