3-Truss - 機械工具・安全保護具通販サイト -


メニュー

新規会員登録(種別選択)

当サイトでは、法人のお客様向けと個人のお客様向けに2種類の会員種別がございます。


法人会員

審査に5営業日ほどかかる場合がございます。
仮発注・承認機能も設けています。

法人会員登録をする

個人会員

審査不要、どなたでも会員登録して頂けます。

個人会員登録をする
0
TOTAL
¥0

現在カート内に商品はございません。

  1. トップページ
  2. /
  3. メカトロ部品
  4. /
  5. 軸受・駆動機器・伝導部品
  6. /
  7. 歯車
  8. /
  9. KG ストレートベベルギヤ B1.5SU 18-8 B1.5SU 18-8

KG ストレートベベルギヤ B1.5SU 18-8 B1.5SU 18-8

  • 機械工具

メーカー希望小売価格: ¥5,150 (税別)

¥4,944
¥5,438 (税込)
送料: ―(ご利用ガイド通り)
商品コード: 160-5264
標準納期:5日
在庫数: お取り寄せ

※在庫数はリアルタイムではありません。(1日5回更新)

発注単位:1個
数量
カートに追加しました。
お買い物を続ける カートへ進む
在庫数以上の数量のため、入荷次第のご発送となります。
お買い物を続ける
メーカー名
協育歯車工業
製造メーカー品番
B1.5SU 18-8
製造メーカー品番2

商品スペック

商品説明
●追加工がしやすいかさ歯車です。
●一般産業機械、食品機械、医療機器等に使用。
●歯車精度:JIS B 1704(ISO) 4級
●圧力角:20°
商品属性
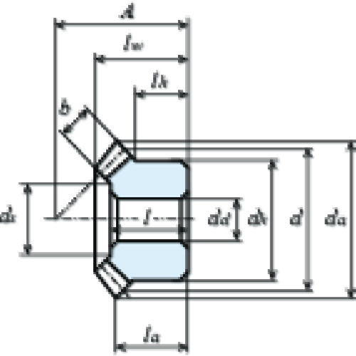
●歯数比:2
●モジュール:1.5
●歯数:18
●基準円直径(mm):φ27
●歯幅(mm):9.8
●穴径(mm):φ8
●全長(mm):22.96
●歯先円直径(mm):φ29.68
●組立距離(mm):40.74
●ハブ外径(mm):φ22
●ハブ長さ(mm):12.5
●SUS304(ステンレス鋼棒)
取り扱い注意事項
●相手歯車を弊社以外の商品と組み合わせて使用されますと不具合が発生する恐れがあります。
セット内容
質量
60.000G
原産国
日本
RoHS
適合


メニュー

カテゴリ一から探す